KYOCERA PRECISION TOOLS

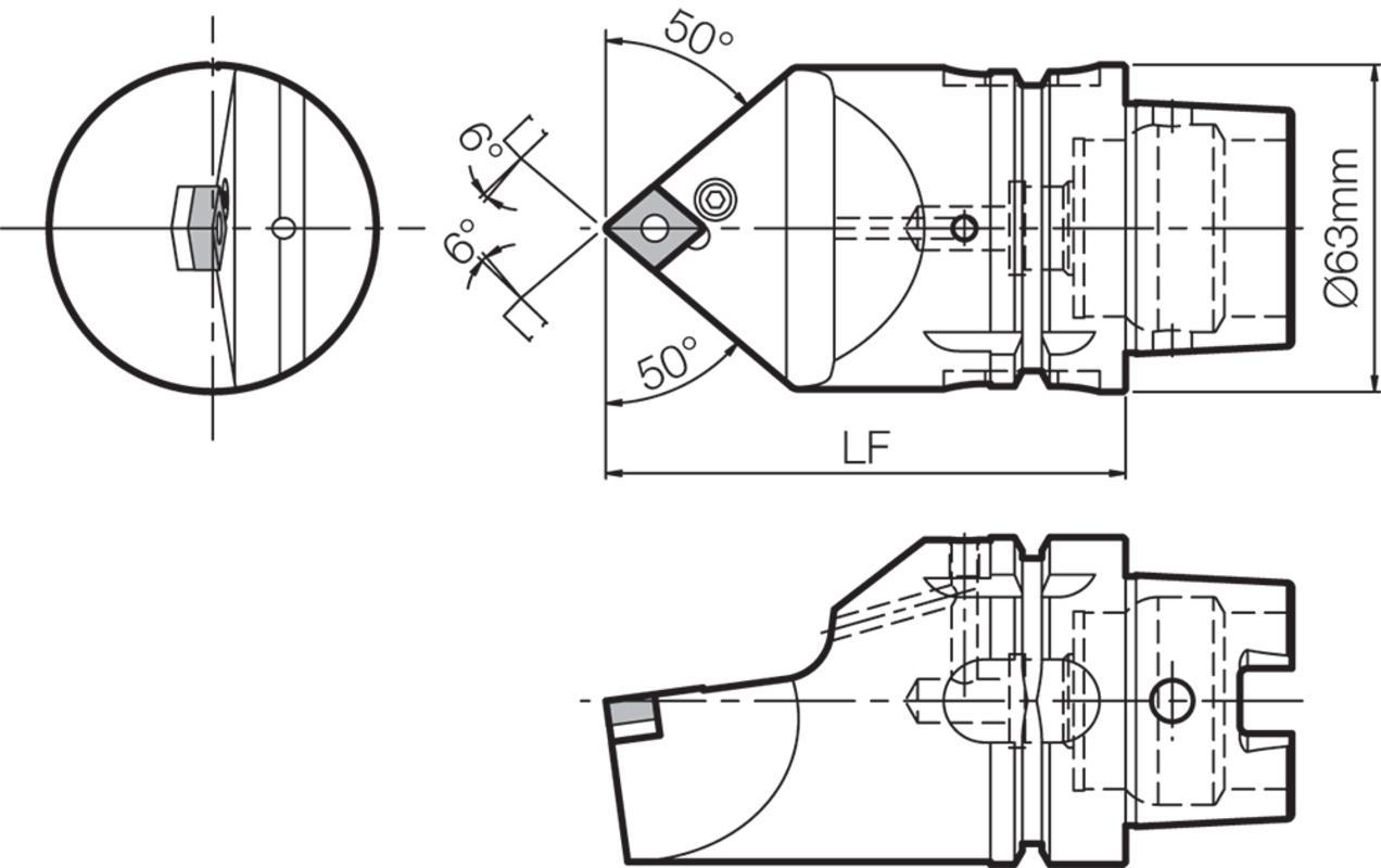
T63H PCMNN H12 TURNING TOOL HOLDER

T63H PCMNN H12 TURNING TOOL HOLDER

KYOCTHM04740 THM04740
252.96 / EA
http://schema.org/OutOfStock
  • ANSI Code: T63HPCMNNH12
  • Back of Bar to Cutting Edge: 22 mm
  • Country of Origin: US|JP|CN|KR
  • Hand Direction: Neutral
  • Inscribed Circle: 12.7 mm
  • Insert Seat Size: 4.76 mm
  • ISO Code: T63H-PCMNN-H12
  • Lead Angle: 50 deg
  • Manufacturer Name: KYOCERA Precision Tools
  • Material: Steel
  • Overall Length Decimal Inch: 40
  • Overall Length Metric: 1016
  • Rake: Negative
  • Series: HSK
  • Tool Holder Style: PCMN
  • Type: Multi-Use
  • Has Attributes: Yes
  • Has Image: Yes
  • Insert Style: CNMG43…/CNMA43…/CNMM43…/CNGA43…/CNGG43…/CNGM43…
QTY
  • Application
  • Item Features
  • Standards
External Turning and Facing Applications
  • Compatible with HSK-A type for machining centers
  • Machining precision for turning is improved by minimizing the gap between the drive key slot on the toolholder side and the drive key on the toolpost side
ECCN: EAR99